


PDP-8 Circuit Modules - S111
A typical module is the S111, three diode/transistor gates. The PDP-8 is largely built from logic modules such as these. These were the standard type of logic modules made by DEC in the days before they started making computers.

PDP-8 Circuit Modules - R210 Accumulator.
There are 13 of these double height modules in a PDP-8, one for each of the machine's 12 bits and one for a bit called 'the link' (in modern terms, the 'carry'). This board is the most densely populated of the PDP-8's modules.

PDP-8 Flip-Chip Modules.
DEC made a lot of fuss about integrated circuitry in the PDP-8, which they called the Flip-Chip. Later, they applied the name to the modules as well.
But:-
There were no integrated circuits in the PDP-8.
The flip chip was no more than the encapsulation of 4 diodes and one resistor.
The picture shows two S111 modules. The one on the right has the FLIP CHIP 'integrated circuit', the one on the left is its discrete component counterpart. Notice that the board on the right still has the holes and circuit traces for the discrete components. The diode /resistor array was to provide a -3v clamping level for the logic.
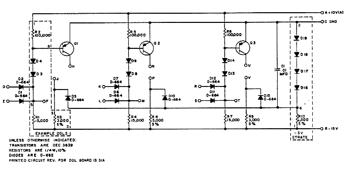
For a circuit diagram of the S111 see S111 circuit. The diode resistor array is outlined by a dotted line on the right of the diagram.
There are many variants of these boards, note that the S111 shown in the previous box has its 4 diodes and the resistor incorporated with the gate circuitry.

PDP-8 Family Circuit Boards.
The photograph shows a single height board from a PDP-8, a quad height board from a PDP-8/E & a hex height board from a PDP-8/A.
Note: There is, unfortunately, one board type missing from this sequence. The PDP-8/I and PDP-8/L computers used single height boards which housed small scale TTL integrated circuits, rather than the individual components used on the PDP-8 board illustrated above.